

RXPE解決方案
為解決現場存在的電能質量問題,RXPE在用戶10kV開關柜出線裝設一套10kV直掛式補償容量不小于14Mvar的動態無功補償與諧波治理成套裝置(SVG+FC型),共1套。該套裝置包括一套不小于±7Mvar SVG和一組基波補償容量不小于7Mvar FC,該成套裝置可實現無功在不小于感性0Mvar~容性14Mvar范圍內連續快速調節,并治理電弧爐產生的各次諧波電流。
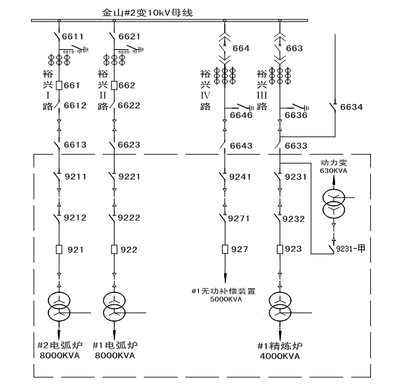
動態無功補(bu)償與(yu)諧波治理成套(tao)裝置主(zhu)接線圖
動(dong)態無(wu)功補償與諧波治(zhi)理成套裝(zhuang)置現場照(zhao)片(pian)①
動態無功補償與諧波治理成套裝置現場照片②
用戶收益
SVG運行后電網電壓穩定,功率因數高于0.95,諧波、負序及電壓閃變等電能質量問題得到明顯改善。在并網點電能質量明顯提升的同時,用戶水力發電機組運行狀況也得以改善,電弧爐工作時,水力發電機組的有功功率波動小于1MW。
補(bu)償前后諧波(bo)電流情況對(dui)比(bi)
Copyright 2025 yxlhw.com | All rights Reseved
