

因為電弧(hu)爐工作時會產生很大(da)無功沖擊,會使電網(wang)公共母(mu)線(xian)上產生較大(da)的(de)無功變(bian)動,且會產生不規則(ze)的(de)低次諧(xie)波,對離此負(fu)荷較近的(de)水力(li)發(fa)電廠設備產生較大(da)影(ying)響。現場反饋電弧爐工作時,水力發電機組的有功功率(lv)波動達6MW~7MW,有(you)功功率(lv)的快速波動可能(neng)導致機(ji)組振(zhen)動,對(dui)機(ji)組的長期穩(wen)定運行有(you)著極大危(wei)害(hai)。
為解決(jue)現場存在的電能質量問題,RXPE在用戶10kV開關柜出線裝設一(yi)套(tao)(tao)10kV直掛(gua)式補償(chang)(chang)容(rong)量不小于(yu)14Mvar的動態無功補償(chang)(chang)與諧(xie)波治理成套(tao)(tao)裝置(zhi)(SVG+FC型),共1套(tao)(tao)。該套(tao)(tao)裝置(zhi)包括一(yi)套(tao)(tao)不小于(yu)±7Mvar SVG和(he)一(yi)組(zu)基波補償(chang)(chang)容(rong)量不小于(yu)7Mvar FC,該成套(tao)(tao)裝置(zhi)可(ke)實現無功在不小于(yu)感性(xing)(xing)0Mvar~容(rong)性(xing)(xing)14Mvar范(fan)圍(wei)內連續快速(su)調節,并治理電弧(hu)爐產(chan)生的各(ge)次(ci)諧(xie)波電流。
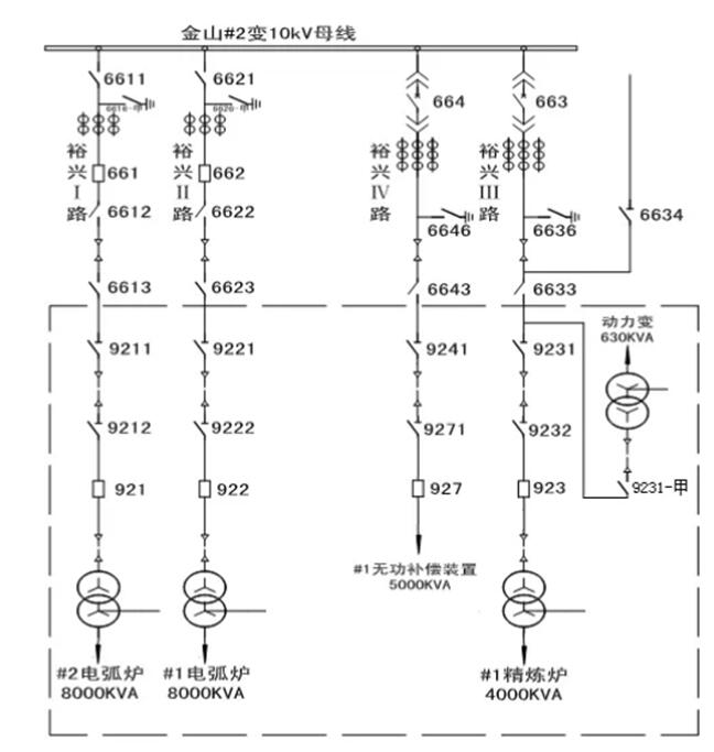
動態無功補償與諧波治理成套裝置主接線圖
動態無功補償與諧波治理成套裝置現場照片①
SVG運行后電網電壓穩定,功率因數高于0.95,諧波、負序及電壓閃變等電能質量問題得到明顯改善。
在并網(wang)點電能(neng)質量明顯(xian)提(ti)升的(de)(de)同時(shi),用戶(hu)水力發電機組運(yun)行狀(zhuang)況也得以改善,電弧(hu)爐工作時(shi),水力發電機組的(de)(de)有功功率波動小于1MW。
補償前后諧波電流情況對比
補償前后瞬(shun)時閃變對比
Copyright 2025 yxlhw.com | All rights Reseved
