

客戶需求
中(zhong)國南方電(dian)網(CSG)是中國(guo)第二大運行(xing)高壓交(jiao)流和直流輸電線路(lu)的(de)電網。主要(yao)負(fu)載位于(yu)電網的(de)東部(bu),而主要(yao)發電機位于(yu)西部(bu)。500 千伏(fu)交流走廊(lang)和 500 千伏/ 800 千伏高壓(ya)直流走廊都被用于(yu)從西向東傳輸(shu)所(suo)需(xu)的電力。梧(wu)州(zhou) 500 千伏(fu)變電站是這些走廊中間的一個重(zhong)要節點,可接收來自西(xi)部交(jiao)流和直流輸電線(xian)路(lu)的電力。
來(lai)自東部的電(dian)力需(xu)求逐(zhu)年增加(jia),這使(shi)得現有走廊(lang)的傳輸能力面臨(lin)越來(lai)越大的壓力。CSG 必須盡(jin)最大努力提(ti)高其功率傳輸極(ji)限(xian)。
根(gen)據(ju)一(yi)項系(xi)統研究,梧州變電(dian)站額(e)定(ding)電(dian)壓為 210 兆乏的 SVC 將(jiang)改善這種情況。廣西-廣東走廊的傳輸限制(zhi)將(jiang)增加 100 兆瓦,云(yun)南-廣東走廊將增加 30 兆(zhao)瓦,貴州-廣東走(zou)廊(lang)也將增加 30 兆瓦。因(yin)此,理論(lun)上,SVC 在運行時將獲得(de)額外的 160 兆(zhao)瓦功(gong)率。同時(shi),當附近發(fa)生任(ren)何線路故障時(shi),該 SVC 也(ye)可以提高動態電壓穩定(ding)性。
RXPE 解決方案
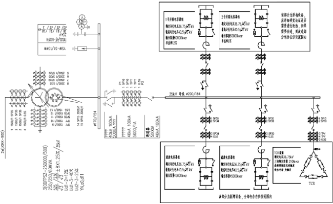
2008 年,RXPE 為 CSG 梧州 500 千伏變電站設計并交付了 210 萬兆乏的 SVC。SVC 包括一個 TCR 支路和兩個諧波濾波器支路以及兩個MSC 支路,輸出電容從 - 120 兆乏電感到+ 210 兆乏電容。中壓母線設計為 35kV,通過專用降壓變壓器與 500kV 母線相連。
客戶利益
梧(wu)州(zhou) SVC 成功實(shi)現了(le)設計(ji)目(mu)標。它使 CSG 調度中心能夠增加這(zhe)些走廊從(cong)西向(xiang)東的(de)傳輸功率(lv)流。同時,它也(ye)提高了相鄰電(dian)網的(de)電(dian)壓穩定性。2009 年 6 月(yue) 5 日(ri),由于線路故障,變電站500千伏母線電壓(ya)迅速下(xia)降。SVC 的運(yun)行支撐了線路電(dian)壓(ya),并幫助電(dian)網成功(gong)渡過難關,這(zhe)也驗證了其動(dong)態性(xing)能(neng)。
福(fu)建省華(hua)安水電(dian)(dian)廠電(dian)(dian)力(li)發展公司35kV金山2#變(bian)電(dian)(dian)站10kV母線(xian)接(jie)有裕(yu)興(xing)Ⅰ、Ⅱ、Ⅲ、Ⅳ路(lu)4條(tiao)饋線(xian),供華(hua)易(yi)鑫鐵(tie)廠負荷,其中(zhong)裕(yu)興(xing)Ⅰ、Ⅱ路(lu)分別供兩臺容(rong)(rong)量為(wei)8000kVA電(dian)(dian)弧爐(lu),裕(yu)興(xing)Ⅲ路(lu)供一臺容(rong)(rong)量為(wei)4000kVA精煉(lian)爐(lu),裕(yu)興(xing)Ⅳ路(lu)供一臺容(rong)(rong)量630kVA動(dong)力(li)變(bian)及5000kVA無功補償裝(zhuang)置(zhi)。正常生產(chan)(chan)時,兩臺電(dian)(dian)弧爐(lu)和精煉(lian)爐(lu)會(hui)同(tong)時生產(chan)(chan)。
硯山(shan)串(chuan)補站(zhan)于 2009 年由另一家(jia)供應(ying)商所裝(zhuang)配,旨在提高文山(shan)-大新 500 千伏(fu)線路的輸電能力、穩定(ding)性和(he)可(ke)靠性,減少損耗,優化電網。
Copyright 2025 yxlhw.com | All rights Reseved
