

MV SC 是這種 6kV~35kV 長距離輸電線路的最佳解決方案。它具有成(cheng)本(ben)效(xiao)益,易(yi)于安裝和(he)操作,并(bing)且無需維護。
10 千伏 SC 介紹
架空(kong)線路是電(dian)(dian)感性的,當電(dian)(dian)流沿(yan)線路流動時,電(dian)(dian)壓(ya)會同時下降(jiang)。沿(yan)線的電(dian)(dian)壓(ya)如(ru)下所示:
MV SC 通常安(an)裝在線(xian)路中間(jian), 通常是(shi)的50 % ~ 100 %。如果 MV SC 安(an)裝在線(xian)路內,沿線(xian)的電壓將會像如下這樣得到改善。
CSG 云南 10 千伏 SC
云(yun)南(nan)是一(yi)個(ge)多山的省(sheng)份,省(sheng)內各鄉(xiang)彼此相距(ju)甚(shen)遠(yuan),長(chang)距(ju)離配(pei)電線路也存在低壓問題。RXPE 已(yi)交(jiao)付(fu)了(le)一(yi)套(tao) 10 千伏 / 450 千乏 SC(50 %補償度(du))。SC 保(bao)護方案設計為火花間隙和旁(pang)路斷(duan)(duan)路器。假設發生線路故(gu)障,火花間隙將被(bei)觸發,斷(duan)(duan)路器將被(bei)旁(pang)路以保(bao)護 SC。
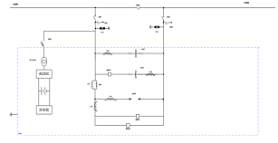
SC 是由集裝(zhuang)箱(xiang)化(hua)的(de)解決方案設計(ji)而成,所(suo)有設備都(dou)在(zai)工廠內組(zu)裝(zhuang)和(he)測試(shi)完成,使得(de)現場運輸、安裝(zhuang)和(he)調試(shi)變(bian)得(de)非常容易,只(zhi)需(xu)即(ji)插即(ji)用。
MV SC 配(pei)備有遠(yuan)程事件報告系統,該系統以預設(she)的(de)手機(ji)號(hao)碼自(zi)動向(xiang)客戶員(yuan)工發送操(cao)作事件。唯一要(yao)做的(de)就是在手機(ji)上接收操(cao)作狀態(tai),并在需(xu)要(yao)時進行維護。
客戶利益
CSG 云(yun)南 MV SC 已于 2015 年投產并(bing)投入商業運營。它完(wan)全解(jie)決了低壓問題,顯(xian)著降低了 10kV 配電(dian)網的線損。
福建省(sheng)華(hua)安水電(dian)廠電(dian)力發(fa)展公司35kV金(jin)山(shan)2#變電(dian)站10kV母(mu)線接有裕興(xing)Ⅰ、Ⅱ、Ⅲ、Ⅳ路4條饋(kui)線,供(gong)華(hua)易鑫鐵廠負荷,其中裕興(xing)Ⅰ、Ⅱ路分別供(gong)兩(liang)臺(tai)容量為(wei)8000kVA電(dian)弧爐(lu)(lu),裕興(xing)Ⅲ路供(gong)一臺(tai)容量為(wei)4000kVA精煉爐(lu)(lu),裕興(xing)Ⅳ路供(gong)一臺(tai)容量630kVA動力變及5000kVA無功補償裝置。正常生產時,兩(liang)臺(tai)電(dian)弧爐(lu)(lu)和(he)精煉爐(lu)(lu)會同時生產。
硯山串補(bu)站于 2009 年由另一家(jia)供應商(shang)所(suo)裝配,旨在提(ti)高文山-大新 500 千伏(fu)線路的輸電(dian)(dian)能力、穩(wen)定性和(he)可靠性,減少損耗,優化(hua)電(dian)(dian)網(wang)。
Copyright 2025 yxlhw.com | All rights Reseved
